【滤波器】干扰滤波器的设计方法
发布日期:2019-12-31
点击次数:481
深圳大学机电与控制工程学院、中国工程物理研究院微系统与太赫兹研究中心的研究人员江师齐、刘艺涛、银杉、彭建春,在2019年第17期《电工技术学报》上撰文(论文标题为“基于噪声源阻抗提取的单相逆变器电磁干扰滤波器的设计”),研究了一种单相逆变器传导电磁干扰(EMI)噪声源阻抗的提取方法,并在此基础上提出了一种高效的EMI滤波器设计方法。
该方法可以分别考虑共模(CM)和差模(DM)噪声源阻抗的影响,对滤波器进行精确的需求分析和设计。为了进一步提高噪声源阻抗检测精确性和滤波器设计的有效性,利用RLC阻抗分析仪对测试元件的阻抗频率特性进行了精确分析。最后,在PLECS仿真环境下对该方法的可行性进行了检验,并且以单相SiC MOSFET逆变器为例对该方法的有效性进行了实验验证。
实验结果表明,利用该方法设计的EMI滤波器针对性强、可靠性高,可以大幅度减少EMI滤波器设计的时间成本。

近年来,能源危机不断加剧,太阳能发电、风力发电、微电网以及新能源电动汽车等技术得到越来越多的关注。逆变器作为新能源并网发电的重要能量转换装置,其系统性能的优化与控制一直是人们研究的热点。
随着半导体材料的开发和发展,应用于逆变器的电力开关管的开关频率可以达数十kHz乃至数百kHz, 如基于SiC和GaN的宽禁带半导体功率器件。这些高频开关器件可以大幅度提高逆变器工作时的开关频率,减小无源谐波滤波器的体积和重量。但与此同时,电磁干扰(Electromagnetic Interference, EMI)问题也变得越来越突出。逆变器系统中的电磁干扰主要是以干扰电流的方式流通于系统中,干扰电流存在的形式分为共模(Common Mode, CM)和差模(Differential Mode,DM)两种。
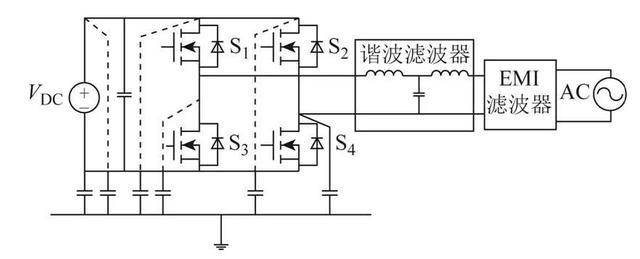
图1所示为单相逆变器的拓扑结构,逆变器开关管在快速开通与关断的过程中产生的电压突变与对地寄生电容发生耦合,产生高频干扰电流,这些干扰电流通过地线、被干扰设备以及相线构成共模干扰回路。共模干扰是逆变系统中的主要干扰,另一方面,由控制脉冲电压产生的差模干扰则是在相线之间构成回路。差模干扰对应的频段相对较低,比较容易解决。

图1 SiC MOSFET 单相逆变器结构
近年来,学者们对逆变器系统中电磁干扰问题提出了不同的解决方案。
有学者提出了一些改进PWM调制方法或逆变器控制方法的EMI抑制思路,这些方法的EMI抑制效果往往达不到电磁干扰的限制要求,而且对减少差模干扰的作用较大,对共模干扰的抑制效果不是很好,整体上可以起到辅助作用。
有学者通过选择共模电压较小的非零电压矢量进行优化运算来减小逆变器的共模电压,但每个周期需要进行多次优化运算,且存在大量的两个桥臂和三个桥臂同时换相的工作状态,导致其开关损耗较大,进而降低系统效率。
有学者提出了一些改进逆变电路拓扑结构的方案,但都是通过增加桥臂或开关管的数量来达到电路平衡,进而减小共模电压。这种方法会大幅度增加系统设计的成本,不适合工程应用。
有学者提出了EMI有源滤波方案,这种方案对信号采集模块的硬件要求很高,设计起来相对比较复杂,另外有源滤波方法的高频滤波效果会因电流互感器等器件的寄生参数而受到消极影响。因此,现在工程上使用最多的还是无源滤波器,这种方法不仅成本低,而且较容易实现。
有学者对无源EMI滤波器的设计做了精确的建模和分析,并在传统方法基础上对滤波器元件的阻抗特性进行了分析,但没有考虑到噪声源阻抗的影响,设计方法的针对性不强。
有学者使用更加精确的干扰回路模型进行EMI滤波器的设计,但是没有考虑噪声源阻抗和滤波器无源器件的高频特性,从而存在一定的误差。
有学者对噪声源阻抗的修正做了详细研究,但没考虑测试元件和滤波器无源器件的高频阻抗特性,只是在理想范围内提高了测试的准确性,具有一定的局限性。
本文以SiC单相电压源型逆变器(Voltage Source Inverter, VSI)为例,分别对逆变器系统的共模和差模干扰路径做了建模,通过分析和推导得到插入共模电感和差模电容前后电磁干扰之间的关系式,进而通过单电感和单电容法分别对共模和差模噪声源阻抗的等效值进行了检测和计算,并通过阻抗分析仪得到了检测元件的精确阻抗曲线,使用此方法得到的噪声源阻抗值更加准确。
接着以单级EMI滤波器为设计对象,根据所得到的噪声源阻抗数据和EMI衰减需求量进行滤波器的阻抗需求分析,进而进行EMI滤波器的设计。
最后在仿真和实验中将本文所提出的方法与传统的方法进行了对比,实验结果验证了考虑噪声源阻抗进行EMI滤波器设计方法的有效性。

高效滤波器实物
结论
本文以SiC MOSFET单相逆变器的EMI抑制为基础提出了一种基于噪声源阻抗提取的EMI滤波器设计方法。分别建立共模和差模噪声源阻抗与滤波器相应参数之间的关系作为噪声源阻抗提取的理论依据。通过单电感-单电容测试实验对共模和差模噪声源阻抗的频率作了分析和计算。根据提取的噪声源阻抗的数据和共、差模滤波器的精确等效模型对EMI滤波器的阻抗需求进行了分析,并以此进行EMI滤波器的设计。
本文还通过高频阻抗分析仪对滤波器进行了阻抗特性分析,以保证设计的有效性。通过仿真和实验对本文提出的高效滤波器设计方法和传统的方法做了对比分析,测试结果验证了这种方法的有效性。
深圳市晶友嘉电子有限公司在频率器件行业已发展超过14年, 具备国际标准体系ISO9001、ISO14001等认证, 在深圳建有生产基地,能快速化响应市场需求,供应性能稳定和高性价比的贴片和插件晶振;
贴片晶振产品广泛的应用在电源管理、仪器仪表、PC及周边小家电、通讯产品、逻辑电路、应用于DVB (数字机顶盒)、GPS(卫星定位)、DVD及数码相框、高性能MODEM、路由器、VPN接入服务器、无线路由器、网络存储设备(NAS)、VOIP网关、数字硬盘录像机(Digital video recorder, DVR)、DSLAMs、高端打印机、教学演示网络设备、交换机、机顶盒、税控机、液晶显示驱动、鼠标、键盘、蓝牙音响、车载MP3、LCD控制板。
应用领域:新能源汽车电子、智能机器人、无人机、医疗电子、2.4G无线通讯、微波通信、光网络通讯、蓝牙、移动终端、物联网、工业控制、及安防行业都取得一定的市场占有率。
晶友嘉是品质晶振生产厂家,欢迎来厂莅临指导,电话:0755-32840201
贴片晶振产品广泛的应用在电源管理、仪器仪表、PC及周边小家电、通讯产品、逻辑电路、应用于DVB (数字机顶盒)、GPS(卫星定位)、DVD及数码相框、高性能MODEM、路由器、VPN接入服务器、无线路由器、网络存储设备(NAS)、VOIP网关、数字硬盘录像机(Digital video recorder, DVR)、DSLAMs、高端打印机、教学演示网络设备、交换机、机顶盒、税控机、液晶显示驱动、鼠标、键盘、蓝牙音响、车载MP3、LCD控制板。
应用领域:新能源汽车电子、智能机器人、无人机、医疗电子、2.4G无线通讯、微波通信、光网络通讯、蓝牙、移动终端、物联网、工业控制、及安防行业都取得一定的市场占有率。
晶友嘉是品质晶振生产厂家,欢迎来厂莅临指导,电话:0755-32840201
